
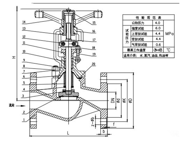
一、技術規范 (德標)
驅動方式:手動/電動/氣動
結構形式:BB-BG-0S Y
設計標準:DIN3356-82
結構長度標準:DIN3202-F1
連接法蘭標準:DIN2543-2545
對焊連接標準:DIN3239 DINEN12627-4
試驗和檢驗標準:DIN3230-81
二、特點
雙層/多層波紋管標準配置
球型錐面閥芯,硬化處理
閥桿螺母帶磨擦片
閥桿填料雙重密封
雙油嘴潤滑標準配置
無泄漏損失-節能保衛環境
使用壽命長,無需維護
三,典型應用流體
蒸汽和冷凝水
化學流體
工藝流體
毒性氣體
熱水和冷水系統
壓縮空氣和其他空氣
熱油系統
氨/氯氣體
水/乙二醇等工業氣體
冷卻及冷凍系統
四、產品特點
壽命長
波紋管密封截止閥采用獨特的雙波紋管密封設計,從而完全消除了閥肝填料密封泄漏的問題,滿足最嚴格的育級要求。
如波紋爸不幸失效,閥桿上填料密封可提供二次密封防止泄漏。
免維修
波紋管密封結的不僅杜絕了泄漏現象,而且無需維護,如更換內部件,方便,簡單,快,所有部件達到標準,互換。
加脂注油
在閥帽/閥蓋帶有加脂注油孔,可對閥奸和螺母軸喜進行潤滑,
球型錐面閥芯
波紋管密封截止閥采用獨特球型錐面閥芯代替傳統的平面閥芯,可手動略進行流水控制,閥芯表面硬化處理,提高了
密封性能。DN150以下并可立式安獲,閥芯自行調整。
工程應角
波紋藏節誤執法適用于公酶壓力:PN1.6-6.4MPa/150L8~800L8,工作溫度-29~425 的石油,化工,制藥,化肥
電力行業等各種工況的管路上,切斷或接通管路介質


